一、產品簡介
LXLCK-40~LXLCK-600系列大口徑預付費水表是以帶有發訊裝置的冷水可拆卸螺翼式水表為計量基表,以射頻卡為信息載體,加裝控制箱和電控閥組成的一種具有結算功能的水量計量儀表。
二、產品特點
1. 大口徑預付費水表選用鋰電池,無需外接電源,功耗低,內部鋰電池常規情況下可使用三年以上,不受安裝條件限制;
2. 預付費讀取功能;
3. 數據傳輸和保存的管理功能;
4、當電池電量不足時自動關閉閥門;
5、人為破壞時自動報警并自動關閉閥門;
6、當用戶所購水量剩余量為“***”噸(可設置)時,控制器自動關閥報警,提示用戶購水,當再次刷用戶卡后恢復供水;
7、在水表遭受攻擊后立即關閉閥門,只有當售水部門檢查完水表后方可開閥供水;
8、在購買水量用盡,閥門關閉后若控制器仍能收到發信水表發出的記數信號,則控制器顯示的剩余水量將出現負數并再次自動關閥;
9、具有定時開關閥的功能,有效防止因閥門長期未開關而銹死的現象。
三、性能參數
| 壓力損失 | ≤0.063MPa |
| 工作水壓 | ≤1MPa |
| 示值誤差 | 水溫在0.1℃至30℃范圍以內時,水表的最大允許誤差在高區(Q?≤Q≤Q?)為±2%,低區(Q?≤Q<Q?)為±5%,水溫超過30℃時,水表在高區的最大允許誤差為±3%,低區仍為±5%。 |
| 使用條件 | 冷水水表:水溫0.1℃~30℃,相對濕度<85%; 熱水水表:水溫0.1℃~90℃,相對濕度<85%; |
| 工作電壓 | 3.6V鋰電池 |
| 電流 | 平均電流:<15uA,靜態電流參考值7uA左右 |
| 數據保護 | 自行數據記憶,掉電保存時間≥10年 |
| 安裝方式 | 水平安裝 |
四、流量技術參數
| 型號 | 公稱口徑 DN | 計量等級 | 過載流量 Q? | 常用流量 Q? | 分界流量 Q? | 最小流量 Q? | 最小讀數 Min | 最大讀數 Max |
| mm | m3/h | m3 | ||||||
| LXLCK-40 | 40 | B | 20 | 10 | 0.8 | 0.2 | 0.0002 | 999999 |
| LXLCK-50 | 50 | B | 30 | 15 | 3 | 0.45 | 0.0002 | 999999 |
| LXLCK-65 | 65 | B | 50 | 25 | 5 | 0.75 | 0.0002 | 999999 |
| LXLCK-80 | 80 | B | 80 | 40 | 8 | 1.2 | 0.002 | 999999 |
| LXLCK-100 | 100 | B | 120 | 60 | 12 | 1.8 | 0.002 | 999999 |
| LXLCK-125 | 125 | B | 200 | 100 | 20 | 3 | 0.002 | 999999 |
| LXLCK-150 | 150 | B | 300 | 150 | 30 | 4.5 | 0.002 | 999999 |
| LXLCK-200 | 200 | B | 500 | 250 | 50 | 7.5 | 0.002 | 999999 |
| LXLCK-250 | 250 | B | 800 | 400 | 80 | 12 | 0.002 | 999999 |
| LXLCK-300 | 300 | B | 1200 | 600 | 120 | 18 | 0.02 | 9999999 |
| LXLCK-350 | 350 | B | 1600 | 800 | 160 | 24 | 0.02 | 999999999 |
| LXLCK-400 | 400 | B | 2000 | 1000 | 200 | 30 | 0.02 | 999999999 |
| LXLCK-500 | 500 | B | 3000 | 1500 | 300 | 45 | 0.02 | 999999999 |
| LXLCK-600 | 600 | B | 6000 | 3000 | 600 | 90 | 0.02 | 999999999 |
五、最大允許誤差
?、?低區 (Q?≤Q<Q?) 最大允許誤差為±5%
② 高區 (Q?≤Q≤Q?) 最大允許誤差為±2% (熱水表為±3%)

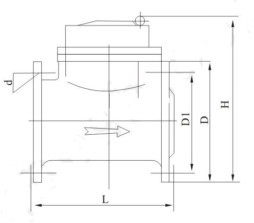
六、外形及規格尺寸

| 公稱口徑 DN | 長 L | 寬 W | 高 H | 連接螺紋 | ||
| mm | 法蘭外徑 D | 螺栓孔中心圓直徑 D1 | 連接螺栓 | |||
| 40 | 200 | 256 | 400 | 165 | 125 | 4xM16 |
| 50 | 200 | 256 | 400 | 165 | 125 | 4xM16 |
| 65 | 200 | 256 | 400 | 185 | 145 | 4xM16 |
| 80 | 225 | 276 | 400 | 200 | 160 | 8xM16 |
| 100 | 250 | 286 | 400 | 220 | 180 | 8xM16 |
| 125 | 250 | 301 | 400 | 250 | 210 | 8xM16 |
| 150 | 300 | 346 | 500 | 285 | 240 | 8xM20 |
| 200 | 350 | 373 | 500 | 340 | 295 | 8xM20 |
| 250 | 450 | 493 | 730 | 395 | 350 | 12xM20 |
| 300 | 500 | 516 | 730 | 445 | 400 | 12xM20 |
| 350 | 500 | 560 | 730 | 520 | 470 | 12xM21 |
| 400 | 600 | 631 | 830 | 565 | 515 | 16xM24 |
| 500 | 800 | 785 | 930 | 715 | 650 | 20xM30 |
| 600 | 1000 | 865 | 1030 | 840 | 770 | 20xM33 |